
Contact Rating: 1A@120VAC or 28 VDC;
Electrical Life: 50,000 cycles
Contact Resistance: 20mΩ max.
Insulation Resistance: 1,000MΩ min.
Dielectric Strength: 1,500V RMS @sea level
Operating Temperature:-30℃~+85℃

介紹:
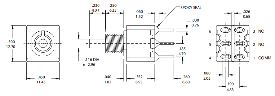
小型按鍵開關T80-P系列,有SPDT、DPDT等功能,有直腳和90度彎腳,各種端子種類跟長度和多種規格蓋帽,我們產品擁有UL、ENEC并符合ROHS規范

